Products > Intaoral X-Ray > PHOT-X II S


Terjual ribuan yang tidak pernah gagal

Kepala X-Ray berkontur ringan dan ergonomis yang dapat diposisikan dengan sempurna setiap saat.

Nilai titk focus 0.4 kecil untuk gambar yang setajam mungkin

Subkontrol memungkinkan operator mengontrol semua aspek dengan sentuhan sederhana. Dosis Radiasi dapat dilihat di layar dengan menekan sebuah tombol.
36 pengaturan awal untuk Dewasa/Remaja dan Anak yang juga dapat dialihkan secara manual. Potensi Tabung yang dapat Dipilih berukuran 60-70kVp, Arus Tabung yang Dapat Dipilih berukuran 3-6mA.

Jenis yang dipasang di dinding (Modul kontrol dapat dipasang di dinding atau konsol daya pusat)

Tipe mobilitas dengan roda yang dapat dipindah-pindah

Tipe ruangan

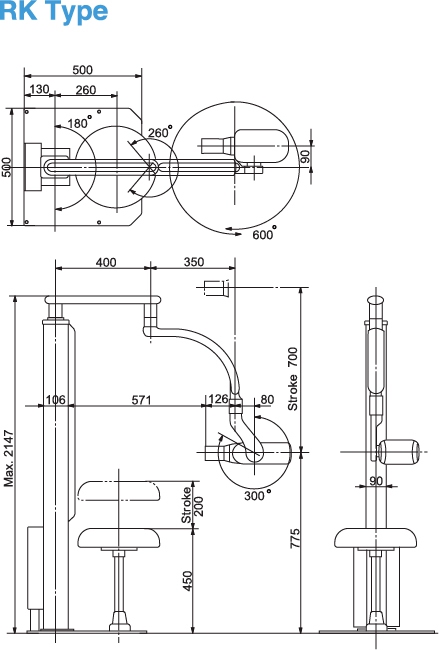
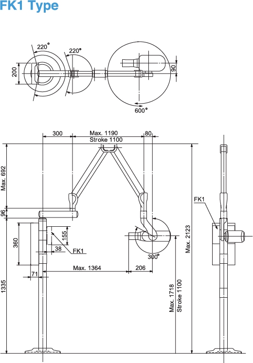
Dipasang dilantai. Pengontrol dapat dipasang di tiang (FK1) atau di dinding (FK2)

Tipe yang dipasang di langit-langit
| Yang dapat Dipilih berukuran kV 60-70 kV |
|---|
| Arus Jalur Terstandar Titik Fokus 0.4 mm berukuran 10A pada daya 70kV, 6 mA |
| Waktu Paparan 0.01 - 2.0 Detik |
| Min.Filtrasi dalam Balok (Beam) 2.0 mm AI Equivalent pada daya 70kV |
| Dapat Dipilih berukuran mA 3mA/6mA |
| Jarak Ukuran tabung standard ke kulit (SSD): 203 mm |
| Opsi tabung panjang : 243 mm |
Click images to enlarge